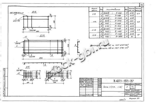
Плита (П) Серия 3.407.1-157.1 высокопрочное железобетонное изделие размером 995×495×60 мм, предназначенное для надёжного перекрытия лотков кабельных каналов на подстанциях напряжением 35–500 кВ. Производится по серии 3.407.1-157 вып.1 из тяжёлого бетона класса В15–В20 с армированием стержневыми каркасами А-I, А-III и А-В1, что обеспечивает конструкцию водонепроницаемостью (не ниже W2–W6), морозостойкостью вплоть до F150, и способность выдерживать нагрузки порядка 0,07 т при транспортировке и эксплуатации.
Область применения
Плита П-10.5 используется для перекрытия каналов, уложенных из лотков Л20.10, Л20.5 и УБК-1А/2А, применяемых при прокладке силовых кабелей, теплопроводов и трубопроводов. Надёжно защищает трассы от грунтовых, влагонасыщенных и механических воздействий, предотвращая повреждение изоляции кабелей. Применяется как в гражданском, так и в энергетическом строительстве — на подстанциях, промышленных объектах, складских и транспортных зонах.
Преимущества изделия
- Универсальность: стандартный размер позволяет легко комбинировать плиты с лотками, избегая зазоров и потери герметичности;
- Прочность и устойчивость: бетон В15–В20 и тщательное армирование обеспечивают надежность при статической и динамической нагрузке;
- Долговечность и защита: морозостойкость F100–F150 и низкое водопоглощение защищают кабели от влаги и агрессивных сред;
- Удобство монтажа: компактные габариты и монтажные петли упрощают транспортировку и установку с минимальными трудозатратами.
Контроль качества
Производственный контроль плиты П-10.5 проводится в соответствии с ГОСТ и ТУ. Проверяются прочность бетона, геометрия, плотность армирования, отсутствие дефектов и устойчивость к морозам и влаге. Каждая плита сопровождается паспортом качества, протоколом испытаний и бетонного состава, что подтверждает её соответствие стандартам подстанционного строительства.
Условия транспортировки и хранения
Плиты транспортируются по автодорогам и жд путям в горизонтальном положении с деревянными прокладками между изделиями. Хранить допускается штабелями до 2,5–3 м, на ровной поверхности с обеспечением защиты от влаги и ударов. Строповка осуществляется за монтажные петли, чтобы предотвратить повреждения поверхности .
Где купить плиту П-10.5 с доставкой
Компания Блок-ЖБИ предлагает купить плиту П-10.5 напрямую с завода-производителя. Мы обеспечим полную комплектацию с учётом проекта: подберём нужное количество, оформим сертификаты, документы и техническое сопровождение. Организуем доставку по Краснодару, регионам России и СНГ с помощью собственного автопарка. Чтобы купить плиту П-10.5 с гарантией качества и оперативной отгрузкой — звоните или оставьте заявку на сайте. Вместе мы подберём идеальное решение для вашей технической инфраструктуры!
Смотрите также:
| Варианты написания товара |
|---|
| Плита П 10.5 |
| Плита П10.5 |
| П 10.5 плита |
| П10.5 плита |
| П 10.5 |
| П10.5 |
| Плита П 10.5 Серия 3.407.1-157.1 |
| П 10.5 Серия 3.407.1-157.1 |
| П10.5 Серия 3.407.1-157.1 |
|
ГОСТ/Серия
|
Серия 3.407.1-157.1 |
|
Длина, мм
|
995 |
|
Ширина, мм
|
495 |
|
Высота, мм
|
60 |
|
Масса, тонн
|
0.07 |
|
Объем бетона, куб.м
|
0.03 |
|
Класс бетона
|
В15 |
|
Геометрический объем, м.куб
|
0,03 |
Как купить
Процесс покупки железобетонных изделий у нас прост и удобен. Следуйте этим шагам:
- Выбор продукции: Ознакомьтесь с нашим ассортиментом и выберите необходимые железобетонные изделия.
- Консультация: Свяжитесь с нашим менеджером для получения консультации по выбору продукции и уточнения всех деталей. Вы можете позвонить нам или написать на электронную почту.
- Оформление заказа: После согласования всех деталей оформите заказ. Менеджер поможет вам заполнить все необходимые документы.
- Согласование доставки: После оформления заказа наш менеджер свяжется с вами для согласования условий и сроков доставки.
- Оплата: Выберите удобный способ оплаты. Мы предлагаем несколько вариантов, включая безналичный расчет.
- Получение товара: После выполнения всех условий заказа, вы получите железобетонные изделия в назначенное время и по согласованному адресу. При получении подпишите акт приема-передачи.
Если у вас возникли вопросы на любом этапе покупки, не стесняйтесь обращаться к нашим менеджерам!
Оплата
Мы принимаем только безналичные платежи и работаем исключительно с юридическими лицами. Пожалуйста, ознакомьтесь с условиями оплаты ниже:
- Способ оплаты: Все расчеты производятся безналичным путем. Мы не принимаем наличные.
- Счет на оплату: После оформления заказа вам будет выставлен счет, который необходимо оплатить в срок, указанный в документе.
- Реквизиты: Все необходимые банковские реквизиты будут предоставлены в счете. Убедитесь, что все данные указаны правильно для успешного перевода.
- Подтверждение оплаты: После осуществления платежа отправьте нам подтверждение, чтобы мы могли оперативно обработать ваш заказ.
- Получение документов: После полной оплаты вы получите все необходимые документы, включая акт выполненных работ, товарные накладные и сертификаты на продукцию.
Мы работаем с НДС и предоставляем все необходимые сертификаты и документы. Все гарантии будут прописаны в договоре, что обеспечивает прозрачность и надежность сотрудничества.
Если у вас есть вопросы по поводу процесса оплаты, не стесняйтесь обращаться к нашим менеджерам за помощью!
Наша оперативность — ваше удобство. Мы гарантируем своевременную доставку железобетонных изделий, что является ключевым фактором для успешной реализации ваших строительных проектов. Доставка осуществляется прямо к вашему объекту с учетом всех стандартов качества.
Основные условия доставки:
• Выбор тарифа: Вы можете выбрать способ расчета стоимости доставки — почасовой или по зонам.
• Согласование: Менеджер свяжется с вами для уточнения деталей после оформления заказа.
• Время на погрузку: Комплектация товара занимает от 1 до 3 дней в зависимости от объема.
• Акт приема-передачи: Продукция передается по акту приема-передачи.
Тарифы на доставку:
Цены варьируются в зависимости от расстояния и региона. Все тарифы включают НДС. При неблагоприятных погодных условиях возможны небольшие изменения в стоимости.
География доставки:
Мы работаем по всей территории РФ и имеем 12 офисов и производств, чтобы обеспечить удобные условия для доставки.
Для точного расчета стоимости доставки обращайтесь к нашим менеджерам!

