Сваи СЦ 30.30 квадратного сечения 300х300 мм без поперечного армирования ствола железобетонные – это высокопрочные стержни, которые устанавливаются в основании зданий для придания прочности фундаменту. Данные изделия используются в строительстве высотных и многоэтажных домов (жилое строительство), мостов (строительство мостов, тоннелей и эстакад), промышленных объектов, торговых комплексов, складских помещений (промышленное строительство) и других зданий, одним словом – в строительстве любых зданий, независимо от их общей площади, назначения и местоположения. Также сваи используются для повышения несущей способности опор воздушных линий электропередач (энергетическое строительство).
Сваи железобетонные СЦ 30.30 квадратного сечения 300х300 мм без поперечного армирования ствола обладают значительными преимуществами по сравнению как с другими строительными материалами, так и с другими известными методами обустройства фундаментной подготовки:
- могут использоваться в местах с нестабильной почвой;
- обладают большим сопротивлением и устойчивостью к любым воздействиям – механическим, температурным, химическим;
- долговечность свай при сохранении первоначальных характеристик;
- высокая жаропрочность и водонепроницаемость;
- высокие показатели несущей способности;
- высокая технологичность в производстве;
- легкость монтажа – для забивки свай не требуется осушать котлован и подготавливать почву;
- большая глубина погружения, исключающая возможность сдвига и обрушения фундамента.
Сваи СЦ 30.30 квадратного сечения 300х300 мм без поперечного армирования ствола представляют собой столб с заостренными концами, армированный высокопрочной сталью по всей длине стержня. Данные изделия армируются сварными арматурными каркасами, голова свай усиливается сетками. Свайные фундаменты имеют ростверк, опирающийся непосредственно на оголовки свай и предназначенный для передачи нагрузки от конструкций здания или сооружения.
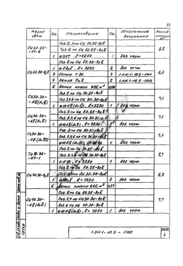
Сваи СЦ 30.30 квадратного сечения 300х300 мм без поперечного армирования ствола изготавливаются в соответствии с нормами, указанными в ГОСТ 19804-2012 «Сваи железобетонные заводского изготовления. Общие технические условия» из тяжелого или мелкозернистого бетона классом по прочности на сжатие от В15 и более. В качестве крупного заполнителя для бетона свай применяется фракционированный щебень из естественного камня или гравия, при этом размер фракции должен быть не более 40 мм. Нормируемая передаточная прочность бетона должна быть не менее 70% прочности, соответствующей классу бетона по прочности на сжатие. Марки бетона свай по морозостойкости и водонепроницаемости назначаются в пределах от F50 и W4 до F600 и W8 соответственно, в зависимости от района строительства, уровня ответственности здания или сооружения, режима эксплуатации свай и значений расчетных температур наружного воздуха и окружающего грунта.
Железобетонные сваи СЦ 30.30 квадратного сечения 300х300 мм без поперечного армирования ствола армируются предварительно напряженной арматурой из горячекатаной и термомеханически упрочненной стержневой стали классов А600 (А-IV) и А800 (А-V) по ГОСТ 5781 и ГОСТ 10884, стальных арматурных канатов 1х7 по ГОСТ 13840 и высокопрочной проволоки периодического профиля классом от Вр1200 (Вр-II) по ГОСТ 7348. В качестве ненапрягаемой арматуры используется стержневая горячекатаная арматура периодического профиля классами А300 (А-II) и А400 (А-III) по ГОСТ 5781 и термомеханически упрочненная классами А400 (A-III)и А600 (А-IV) по ГОСТ 10884. В качестве конструктивной арматуры (спирали, сетки, хомуты) применяется холоднотянутая проволока из низкоуглеродистой стали класса В500 (В-I, Вр-I) по ГОСТ 6727 и стержневая горячекатаная гладкая сталь класса А240 (А-I) по ГОСТ 5781. Допускается в качестве ненапрягаемой продольной арматуры применять арматурную сталь класса А240 (А-I) по ГОСТ 5781.
Сваи железобетонные СЦ 30.30 квадратного сечения 300х300 мм без поперечного армирования ствола являются высокоответственными изделиями, поэтому к ним предъявляются достаточно строгие требования к качеству как поверхности, так и геометрических параметров. Значения предельных отклонений геометрических параметров свай не должны превышать: по длине сваи – 25-50 мм, по размеру поперечного сечения (диаметру) – 20-66 мм. Отклонение от прямолинейности профиля боковых граней ствола свай на всей длине не должно быть больше 25-30 мм. Отклонение от перпендикулярности торцевой плоскости не должно превышать 0,01 размера стороны поперечного сечения изделия.
Строгие требования предъявляются и к рабочей арматуре изделий. Расстояние от крайнего поперечного стержня до конца каркаса и расстояние от крайней сетки до торца сваи железобетонной СЦ 30.30 квадратного сечения 300х300 мм без поперечного армирования ствола не должны превышать 10 мм. Шаг спирали, хомутов и сеток
должен быть не более 10 мм при значении шага до 50 мм включительно, 15 мм – при шаге 50-100 мм и 25 мм – при шаге более 100 мм. Значения действительных отклонений толщины защитного слоя бетона до продольной арматуры не должны превышать +15 -5 мм.
На поверхности свай не допускается обнажение рабочей и конструктивной арматуры. Концы напрягаемой арматуры после отпуска натяжения должны быть срезаны заподлицо с торцевой поверхностью железобетонной сваи. Требования к качеству бетонных поверхностей и внешнему виду свай (в том числе по ширине раскрытия поверхностных технологических трещин) определяет ГОСТ 13015.0. При этом размеры раковин, местных впадин на бетонной поверхности и околов бетона ребер свай не должны превышать: диаметр или наибольший размер раковины – 20 мм, глубина впадины – 10 мм, глубина окола бетона ребра – 20 мм. Высота наплывов на торцевой поверхности свай не должна быть более 5 мм.
ЖБИ сваи СЦ 30.30 квадратного сечения 300х300 мм без поперечного армирования ствола хранят в штабелях горизонтальными рядами с одинаковой ориентацией торцов свай. Между горизонтальными рядами свай при складировании и транспортировании должны быть уложены прокладки, расположенные рядом с подъемными петлями, или, в случае отсутствия петель – в местах, предусмотренных для захвата свай при их транспортировании. Высота штабеля свай не должна превышать ширину штабеля более чем в два раза.
Погрузку и разгрузку свай железобетонных следует производить за подъемные петли. Подъем свай на копер следует производить стропом, закрепленным за сваю у фиксирующего штыря или у верхней подъемной петли, если это допускается требованиями рабочих чертежей на сваи СЦ 30.30 квадратного сечения 300х300 мм без поперечного армирования ствола конкретного типа, при этом строповка непосредственно за подъемную петлю или штырь запрещается. Подъем свай для погружения в грунт осуществляют тросом, продетым в отверстие, образованное металлической втулкой и расположенное на расстоянии 250 мм от верхнего торца изделия.
В компании ГК “БЛОК” можно заказать сваи железобетонные, а так же проконсультироваться с нашими специалистами, подобрать требуемые конструкции железобетонных изделий. В нашем отделе продаж можно узнать заранее и уточнить цену на жби сваи и рассчитать общую стоимость заказа. Купить сваи СЦ 30.30 квадратного сечения 300х300 мм без поперечного армирования ствола и проконсультироваться по общим вопросам покупки и доставки Вы можете, позвонив по телефонам компании ГК БЛОК: Санкт-Петербург: (812) 309-22-09, Москва: (495) 646-38-32, Краснодар: (861) 279-36-00. Режим работы компании: Пн-Пт с 9-00 до 18-00. Компания ГК БЛОК осуществляет доставку изделий по всей России прямо до объекта заказчика или на строительную площадку, если позволяет инфраструктура.
|
ГОСТ/Серия
|
Серия 1.011.1-10 вып.3 |
|
Длина, мм
|
300 |
|
Ширина, мм
|
300 |
|
Высота, мм
|
3000 |
|
Масса, тонн
|
0.7 |
|
Объем бетона, куб.м
|
0.28 |
|
Класс бетона
|
В25 |
|
Геометрический объем, м.куб
|
0.27 |
|
Сталь, кг
|
5,7-7,1 |
|
Закладная 1
|
Отдельные стержни |
|
Закладная 2
|
Спираль СПц1 |
|
Закладная 3
|
Сетка С30 |
|
Закладная 4
|
Петля Пц2 |
Как купить
Процесс покупки железобетонных изделий у нас прост и удобен. Следуйте этим шагам:
- Выбор продукции: Ознакомьтесь с нашим ассортиментом и выберите необходимые железобетонные изделия.
- Консультация: Свяжитесь с нашим менеджером для получения консультации по выбору продукции и уточнения всех деталей. Вы можете позвонить нам или написать на электронную почту.
- Оформление заказа: После согласования всех деталей оформите заказ. Менеджер поможет вам заполнить все необходимые документы.
- Согласование доставки: После оформления заказа наш менеджер свяжется с вами для согласования условий и сроков доставки.
- Оплата: Выберите удобный способ оплаты. Мы предлагаем несколько вариантов, включая безналичный расчет.
- Получение товара: После выполнения всех условий заказа, вы получите железобетонные изделия в назначенное время и по согласованному адресу. При получении подпишите акт приема-передачи.
Если у вас возникли вопросы на любом этапе покупки, не стесняйтесь обращаться к нашим менеджерам!
Оплата
Мы принимаем только безналичные платежи и работаем исключительно с юридическими лицами. Пожалуйста, ознакомьтесь с условиями оплаты ниже:
- Способ оплаты: Все расчеты производятся безналичным путем. Мы не принимаем наличные.
- Счет на оплату: После оформления заказа вам будет выставлен счет, который необходимо оплатить в срок, указанный в документе.
- Реквизиты: Все необходимые банковские реквизиты будут предоставлены в счете. Убедитесь, что все данные указаны правильно для успешного перевода.
- Подтверждение оплаты: После осуществления платежа отправьте нам подтверждение, чтобы мы могли оперативно обработать ваш заказ.
- Получение документов: После полной оплаты вы получите все необходимые документы, включая акт выполненных работ, товарные накладные и сертификаты на продукцию.
Мы работаем с НДС и предоставляем все необходимые сертификаты и документы. Все гарантии будут прописаны в договоре, что обеспечивает прозрачность и надежность сотрудничества.
Если у вас есть вопросы по поводу процесса оплаты, не стесняйтесь обращаться к нашим менеджерам за помощью!
Наша оперативность — ваше удобство. Мы гарантируем своевременную доставку железобетонных изделий, что является ключевым фактором для успешной реализации ваших строительных проектов. Доставка осуществляется прямо к вашему объекту с учетом всех стандартов качества.
Основные условия доставки:
• Выбор тарифа: Вы можете выбрать способ расчета стоимости доставки — почасовой или по зонам.
• Согласование: Менеджер свяжется с вами для уточнения деталей после оформления заказа.
• Время на погрузку: Комплектация товара занимает от 1 до 3 дней в зависимости от объема.
• Акт приема-передачи: Продукция передается по акту приема-передачи.
Тарифы на доставку:
Цены варьируются в зависимости от расстояния и региона. Все тарифы включают НДС. При неблагоприятных погодных условиях возможны небольшие изменения в стоимости.
География доставки:
Мы работаем по всей территории РФ и имеем 12 офисов и производств, чтобы обеспечить удобные условия для доставки.
Для точного расчета стоимости доставки обращайтесь к нашим менеджерам!

